Oggi è giovedì 25 dicembre 2025, 14:05

Tutti gli orari sono UTC + 1 ora [ ora legale ]




Apri un nuovo argomento Rispondi all’argomento  [ 7 messaggi ] 
Autore Messaggio
 Oggetto del messaggio: potenza e velocita'
MessaggioInviato: sabato 10 maggio 2025, 17:04 
Non connesso

Nome: goffredo gamboni
Iscritto il: mercoledì 13 dicembre 2023, 16:30
Messaggi: 10
salve a tutti, Vi vorrei chiedere se c'è un dispositivo elettronico, che nelle locomotive analogiche ,possa far diminuire la velocita' senza diminuire la potenza di trazione , dato che ho locomotive lima con motore G. grazie


Top
 Profilo  
 
 Oggetto del messaggio: Re: potenza e velocita'
MessaggioInviato: sabato 10 maggio 2025, 22:42 
Non connesso

Iscritto il: mercoledì 25 gennaio 2006, 21:44
Messaggi: 76
Località: Schio, Vicenza
Buongiorno Goffredo,
al nostro club, per diminuire in modo semplice la velocità di alcune macchine troppo “esuberanti” in analogico usiamo talvolta mettere in serie alcuni diodi al motore: in genere basta uno o due, a seconda di quanto vuoi abbattere la velocità massima. Così facendo però la macchina comincerà a muoversi con un voltaggio più alto che non prima dell’“intervento”. Probabilmente qualche esperto di elettronica del forum potrà suggerirti soluzioni più raffinate e senza le controindicazioni che ho scritto più sopra. Per quanto riguarda la trazione sarebbe più corretto parlare di forza e non di potenza, visto che anche per i nostri modelli in H0 (così come per le loco reali) il limite alla trazione è in genere dato dalla aderenza più che dalla coppia del motore: il convoglio si arresta in salita perché la locomotiva comincia a slittare, non perché il motore non ce la fa a girare.

Lucio


Top
 Profilo  
 
 Oggetto del messaggio: Re: potenza e velocita'
MessaggioInviato: domenica 11 maggio 2025, 0:50 
Non connesso

Iscritto il: mercoledì 20 settembre 2006, 20:44
Messaggi: 6365
Località: Sorbolo di Sorbolo Mezzani (PR)
Come al vero si utilizza un alimentatore PWM: diminuisce la velocita del motore ma non la sua coppia.

Mettere i diodi di fatto è come mettere una resistenza: cala la tensione e quindi cala anche la coppia, cioè la forza di trazione.


Top
 Profilo  
 
 Oggetto del messaggio: Re: potenza e velocita'
MessaggioInviato: domenica 11 maggio 2025, 19:32 
Non connesso

Nome: goffredo gamboni
Iscritto il: mercoledì 13 dicembre 2023, 16:30
Messaggi: 10
grazie ragazzi, ho fatto questa domanda,perche' molti anni fa (prima del digitale)ho letto su una rivista del settore , che c'era un dispositivo elettronico che aveva questa funzione. non ricordo piu' dove l'ho letta e per questo sto chiedendo ,con la speranza che qualcuno ricordi. comunque grazie della risposta, sicuramente mi fara' comodo per diminuire un po di velocita' delle superveloci lima


Top
 Profilo  
 
 Oggetto del messaggio: Re: potenza e velocita'
MessaggioInviato: martedì 13 maggio 2025, 19:57 
Non connesso

Iscritto il: sabato 14 gennaio 2006, 13:02
Messaggi: 2762
Località: ROMA
Beh dalle classiche lima motore G che forza di trazione vuoi tirar fuori?
Di solito quando si parla di motori che assorbono molto si parla di grande potenza e quindi di conseguenza anche di forza di trazione ed il vecchio D345 roco ne è un esempio.
Visto che le lima non hanno motori che assorbono molto ,oltre a rallentare con i diodi, collegati in antiparallelo, ti converrebbe zavorrarle un po per far aderire meglio gli assi motori muniti di anelli di aderenza.

Brenner


Top
 Profilo  
 
 Oggetto del messaggio: Re: potenza e velocita'
MessaggioInviato: martedì 13 maggio 2025, 20:57 
Non connesso

Nome: Roberto Crenna
Iscritto il: sabato 13 gennaio 2024, 15:49
Messaggi: 29
Località: Legnano-Ranco
Roco Wac 2000...... per esempio.


Top
 Profilo  
 
 Oggetto del messaggio: Re: potenza e velocita'
MessaggioInviato: mercoledì 14 maggio 2025, 18:37 
Non connesso

Iscritto il: domenica 15 luglio 2007, 9:46
Messaggi: 6775
Località: Regione FVG
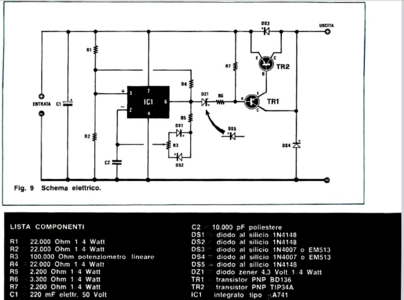
Se ve la cavate con l'elettronica (se c'è ancora qualcuno che sperimenta...), potete adattare questo circuitino apparso quarant'anni fa su Nuova Elettronica, quando l'ho adatattato io era già fuori produzione. Sì, è un PWM specifico per carichi induttivi come i nostri modelli.
Allegato:
Commento file: Full chopper... per modelli
Istantanea_2025-05-14_19-13-45.jpg
Istantanea_2025-05-14_19-13-45.jpg [ 154.36 KiB | Osservato 3398 volte ]

Le modifiche che ho fatto (obbligato a usare la basetta "millefori") sono state le seguenti:
L'integrato è diventato un TL081 (ha la stessa piedinatura)
Dove è data l'alternativa, il diodo è un 1N4007 e non uno zener
Il condensatore C2 scende a 1 nF (1000 pF)
Il condensatore C1 sale a 4700 uF (serve anche come livellamento dell'alternata proveniente dal trasformatore e raddrizzata da un ponte piuttosto "strong")
Notare i diodi per far ricircolare le extratensioni dovute alla commutazione delle spazzole dei motori: NE le aveva prese in considerazione!
Io ho usato un potenziometro con interruttore (caruccio) perchè vi ho collegato in uscita un circuitino che inibiva l'inversione se la tensione non era a zero o quasi, ma è una finesse che ho messo io.

Una trentina d'anni fa era apparso un regolatore di concezione americana (lo chiamavano TAT-V) che a mezza tensione passava automaticamente dalla regolazione PWM a quella "zavorra", o resistiva (come pilotasse il finale non ho mai capito), non era commerciale, bisognava farselo e io non ho mai approfondito.

Aggiungo: un amico sperimentatore ha trovato lo schema del TAT-V (è formato da due basette separate, che possono anche stare in due mobiletti diversi): per chi ce l'ha, era su Model Railroader di aprile 1994. Ad ogni modo, lo schema ora ce l'ho... e non è semplice! (leggi: col cavolo che vado a costruirlo! :P )


Top
 Profilo  
 
Visualizza ultimi messaggi:  Ordina per  
Apri un nuovo argomento Rispondi all’argomento  [ 7 messaggi ] 

Tutti gli orari sono UTC + 1 ora [ ora legale ]


Chi c’è in linea

Visitano il forum: Nessuno e 11 ospiti


Non puoi aprire nuovi argomenti
Non puoi rispondere negli argomenti
Non puoi modificare i tuoi messaggi
Non puoi cancellare i tuoi messaggi
Non puoi inviare allegati

Cerca per:
Vai a:  
banner_piko

Duegi Editrice - Via Stazione 10, 35031 Abano Terme (PD). Italy - Tel. 049.711.363 - Fax 049.862.60.77 - duegi@duegieditrice.it - shop@duegieditrice.it
Direttore editoriale: Luigi Cantamessa - Amministratore unico: Federico Mogioni - Direttore responsabile: Pietro Fattori.
Registro Operatori della Comunicazione n° 37957. Partita iva IT 05448560283 Tutti i diritti riservati Duegi Editrice Srl