Oggi è giovedì 25 dicembre 2025, 17:49

Tutti gli orari sono UTC + 1 ora [ ora legale ]




Apri un nuovo argomento Rispondi all’argomento  [ 10 messaggi ] 
Autore Messaggio
 Oggetto del messaggio: Combinazione di led
MessaggioInviato: domenica 24 agosto 2025, 10:30 
Non connesso

Iscritto il: venerdì 10 gennaio 2014, 17:01
Messaggi: 365
Buongiorno.
Ho questo problema (...tanto per cambiare ..!!)
Ho 3 basette con 5 led bianchi ciascuna, collegati in serie, e vorrei collegare queste 3 pasette in paralleo.
Che tensione dovrei applicare ?

Al contrario, potrei modificare le 3 basette inserendo i 5 led in parallelo e poi collegarle in serie....

Quale potrebbe esere la miglio soluzione ?
Grazie come sempre.
Amy


Top
 Profilo  
 
 Oggetto del messaggio: Re: Combinazione di led
MessaggioInviato: domenica 24 agosto 2025, 11:43 
Non connesso

Iscritto il: venerdì 20 gennaio 2006, 10:59
Messaggi: 5057
La domanda è che tensione hai disponibile? Perchè da questa info dipende tutto.

La basetta con 5 led bianchi in serie necessita di almeno 18 volt (3,5*5=17,5) più resistenza limitatrice.

In linea di massima io farei le tre basette singole ognuna attraverso la propria resistenza limitatrice.

Se non hai 18 volt o più volt dovrai modificare il tutto e fare più paralleli.

Poichè questo mi sembra un "riuso" secondo me fai prima a comprare componenti nuovi.


Top
 Profilo  
 
 Oggetto del messaggio: Re: Combinazione di led
MessaggioInviato: domenica 24 agosto 2025, 11:50 
Non connesso

Iscritto il: venerdì 10 gennaio 2014, 17:01
Messaggi: 365
Salve Zampa, sempre ottimi consigli !!!
Ascolta: ho un trasformatorino da 24 volt c.c.
Come posso fare ?
Inoltre: che resistenza mi consigli ?
Grazie

Amy


Top
 Profilo  
 
 Oggetto del messaggio: Re: Combinazione di led
MessaggioInviato: domenica 24 agosto 2025, 12:02 
Non connesso

Iscritto il: venerdì 20 gennaio 2006, 10:59
Messaggi: 5057
24 volt raddrizzati ?

Supponiamo di si (sarebbe meglio misurarla con un tester)... e considera che con 10 mA (0,01 A) di corrente hai già una ottima luminosità.

Con questi valori il calcolo è: (24 - 5*3,5)/0,01= 650 ohm che è un valore che non trovi ....

... piu comuni quelli della serie E10 (10 12 15 18 22 27 33 39 47 56 68 82 con zeri a piacere dopo) quindi io inizierei con 680 ohm, se troppo luminosi sali (820, 1000, 1200 ...) se poco luminosi scendi ma NON sotto i 330 ohm.

Comunque il modo di calcolo lo hai e te la puoi cavare.


Top
 Profilo  
 
 Oggetto del messaggio: Re: Combinazione di led
MessaggioInviato: domenica 24 agosto 2025, 12:14 
Non connesso

Iscritto il: venerdì 10 gennaio 2014, 17:01
Messaggi: 365
Mi spiego meglio.
Ho una vecchia lampada che uso sopra il banco di lavoro, ma scalda molto.
Siccome ho molti led bianchi ad alta luminosità, vorrei sostituire la vecchia lampadina con questa serie di led.
Non voglio spendere altri soldi, visto che ho anche diversi trasformatorini ...tipo quelli dei cellulari, per capirsi,
ma con uscite in c.c. diverse.


Top
 Profilo  
 
 Oggetto del messaggio: Re: Combinazione di led
MessaggioInviato: domenica 24 agosto 2025, 12:16 
Non connesso

Iscritto il: martedì 21 marzo 2017, 12:08
Messaggi: 1674
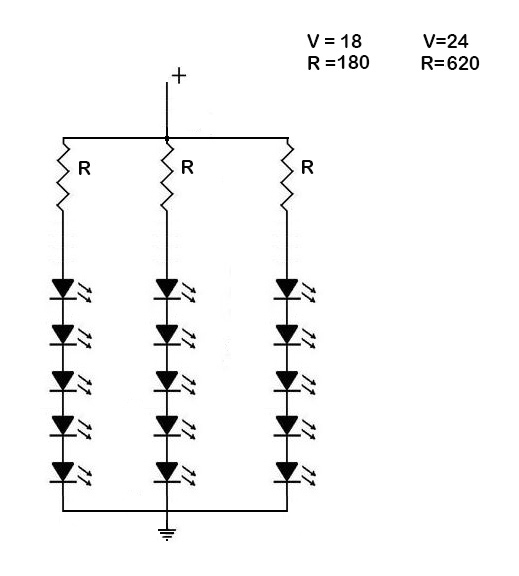
Concordo con quanto detto da Alessandro.
Io farei così:


Allegati:
Led in serie_parallelo.jpg
Led in serie_parallelo.jpg [ 65.64 KiB | Osservato 1126 volte ]
Top
 Profilo  
 
 Oggetto del messaggio: Re: Combinazione di led
MessaggioInviato: domenica 24 agosto 2025, 12:21 
Non connesso

Iscritto il: venerdì 10 gennaio 2014, 17:01
Messaggi: 365
Gran bello schema !!!!!
Perfetto.
Grazie 10.000 (1.000 mi sembrava poco ....)

Amy


Top
 Profilo  
 
 Oggetto del messaggio: Re: Combinazione di led
MessaggioInviato: lunedì 25 agosto 2025, 0:00 
Non connesso

Iscritto il: venerdì 10 gennaio 2014, 17:01
Messaggi: 365
... e tanto per essere più precisi, questo è l'alimentatore
che vorei usare. Va bene, vero ?
Amy


Allegati:
Senza titolo 1.jpg
Senza titolo 1.jpg [ 132.17 KiB | Osservato 995 volte ]
Top
 Profilo  
 
 Oggetto del messaggio: Re: Combinazione di led
MessaggioInviato: lunedì 25 agosto 2025, 6:08 
Non connesso

Iscritto il: venerdì 20 gennaio 2006, 10:59
Messaggi: 5057
Si... È ok.
Dimenticavo di dire che nell'ipotesi del calcolo e del circuito detto l'assorbimento è di 10 mA per ramo, quindi 30 mA in tutto che sono ampiamente sotto i 100 mA nominali di uscita dell'alimentatore.

Nb: se l'alimentatore non è stabilizzato potresti avere una tensione d'uscita più alta (visto il poco carico) ma sicuramente nella tolleranza dei led...casomai aumenti il valore della resistenza.


Top
 Profilo  
 
 Oggetto del messaggio: Re: Combinazione di led
MessaggioInviato: martedì 26 agosto 2025, 20:07 
Non connesso

Iscritto il: domenica 15 luglio 2007, 9:46
Messaggi: 6775
Località: Regione FVG
I LED erano per una lampada da tavolo, quindi. Bel lavoro (metti una foto quando hai finito).
Do invece un suggerimento a chi vuol metterli in una vettura: anche se non li pilotate ciascuno con un uscita di decoder funzioni (so che qualcuno ci è riuscito), metteteli in parallelo e ciascuno con una resistenza propria. A renderli indipendenti diventerebbe facile. :wink:


Top
 Profilo  
 
Visualizza ultimi messaggi:  Ordina per  
Apri un nuovo argomento Rispondi all’argomento  [ 10 messaggi ] 

Tutti gli orari sono UTC + 1 ora [ ora legale ]


Chi c’è in linea

Visitano il forum: Baidu [Spider], peppardo11 e 16 ospiti


Non puoi aprire nuovi argomenti
Non puoi rispondere negli argomenti
Non puoi modificare i tuoi messaggi
Non puoi cancellare i tuoi messaggi
Non puoi inviare allegati

Cerca per:
Vai a:  
banner_piko

Duegi Editrice - Via Stazione 10, 35031 Abano Terme (PD). Italy - Tel. 049.711.363 - Fax 049.862.60.77 - duegi@duegieditrice.it - shop@duegieditrice.it
Direttore editoriale: Luigi Cantamessa - Amministratore unico: Federico Mogioni - Direttore responsabile: Pietro Fattori.
Registro Operatori della Comunicazione n° 37957. Partita iva IT 05448560283 Tutti i diritti riservati Duegi Editrice Srl