Oggi è lunedì 27 aprile 2026, 6:39

Tutti gli orari sono UTC + 1 ora [ ora legale ]




Apri un nuovo argomento Rispondi all’argomento  [ 52 messaggi ]  Vai alla pagina 1, 2, 3, 4  Prossimo
Autore Messaggio
 Oggetto del messaggio: Illuminazione carrozze: con o senza decoder?
MessaggioInviato: domenica 31 marzo 2013, 20:03 
Non connesso

Nome: G.P.
Iscritto il: lunedì 25 gennaio 2010, 0:08
Messaggi: 1715
Ciao a tutti,

iniziando a "studiare" su come illuminare le carrozze, ho trovato tante info in rete. Lì dove mi sto "incrucciando" è se fare l'illuminazione con o senza decoder. Ciò che devo illuminare sono: led bianchi, led rossi, strip di led.

Premessa: mi interessa solo il caso digitale e una sola carrozza (è una folle Aln), ed escludo condotte passanti. Dunque, le opzioni sembrano due:

1. collegare la strip di led direttamente alle prese di corrente dei carrelli (ho visto che ci vuole un ponte di diodi piu un condensatore e resistenza); i led bianco/rossi li piloterei comunque con un decoder funzioni.

2. collegare la strip di led ad un decoder funzioni. Per questa seconda ipotesi, ho visto che c'è il decoder di Almrose economicissimo (10€) che permette di gestire 2 funzioni (fino a 50mA) piu altre 2 funzioni ausiliarie (fino a 20mA). Se le due funzioni ausiliarie le associo ai led rossi/bianchi (che assorbono al piu 10mA ciascuno), le due uscite da 50mA le potrei usare per la strip di led.

Per cui, d'accordo che è piu semplice la 1, pero a questo compromesso (e prezzo), andrei senza ombra di dubbio sulla 2.

Voi di solito come operate?

Ultima cosa: per evitare lo sfarfallio si usa il classico circuitino con condensatore. Questo andrebbe comunque applicato sia per la 1 che per la 2 giusto?


Grazie e buona Pasqua!
Gianfranco


Top
 Profilo  
 
 Oggetto del messaggio: Re: Illuminazione carrozze: con o senza decoder?
MessaggioInviato: domenica 31 marzo 2013, 22:56 
Non connesso

Iscritto il: giovedì 19 gennaio 2006, 14:21
Messaggi: 254
Località: Milano
Se colleghi i led direttamente alle prese di corrente ti pregiudighi la possibilita' di comandarne l'accensione o meno; il condensatore serve indipendentemente dai tipo di alimentazione.


Top
 Profilo  
 
 Oggetto del messaggio: Re: Illuminazione carrozze: con o senza decoder?
MessaggioInviato: domenica 31 marzo 2013, 23:03 
Non connesso

Iscritto il: martedì 18 dicembre 2007, 11:42
Messaggi: 1652
Località: Piossasco (TO)
Io andrei per la soluzione 2. Da già che sulla rimorchiata devi mettere un decoder, tanto vale che lo usi anche per comandare l'illuminazione. Io di solito metto sempre il decoder, perché come dice Mariano, senza non puoi accendere e spegnere. Inoltre con alcuni decoder si può fare la regolazione dell'intensità luminosa. Un consiglio, la luminosità deve essere tenue, nella stragrande maggioranza dei casi le illuminazioni sono troppo intense.


Top
 Profilo  
 
 Oggetto del messaggio: Re: Illuminazione carrozze: con o senza decoder?
MessaggioInviato: lunedì 1 aprile 2013, 0:28 
Non connesso

Nome: G.P.
Iscritto il: lunedì 25 gennaio 2010, 0:08
Messaggi: 1715
Concordo con entrambi....in realtà davo per scontato che la luminosità si puo regolare in quel decoder....
Mi informo in merito!

Grazie


Top
 Profilo  
 
 Oggetto del messaggio: Re: Illuminazione carrozze: con o senza decoder?
MessaggioInviato: lunedì 1 aprile 2013, 7:54 
Non connesso

Iscritto il: venerdì 27 gennaio 2006, 13:12
Messaggi: 1534
Se monti un decoder su ciascuna carrozza l'unico vantaggio che hai è che puoi accendere e spegnere le luci a tuo piacimento e se consideri impianti dove di carrozze illuminate ce ne stanno tante (oltre ovviamente a locomotive, scambi e quant'altro sia alimentato direttamente dalla centralina) eviteresti assorbimenti eccessivi che graverebbero sulla centralina stessa, ammesso ovviamente che non ci siano booster.
Considera inoltre che con il decoder (su certi circuiti di lluminazione con decoder integrato) avresti la possibilità di accendere/spengere o attenuare ciascuna luce in modo indipendente dalle altre e questo sarebbe un effetto decisamente realistico soprattutto nei "treni notte". ;)
Tra l'altro sempre gli stessi PCB con luci e decoder a bordo di cui sopra hanno integrate le luci di coda sia fisse che strobo programmabili a piacere.
Ciao e buoni lavori
Giancarlo


Top
 Profilo  
 
 Oggetto del messaggio: Re: Illuminazione carrozze: con o senza decoder?
MessaggioInviato: martedì 2 aprile 2013, 21:01 
Non connesso

Nome: G.P.
Iscritto il: lunedì 25 gennaio 2010, 0:08
Messaggi: 1715
Grazie Giancarlo per i tuoi consigli.

Adesso, non prendetemi per pazzo, ma solo per uno che vuole muovere le mani e fare qualcosa di diverso. Ho visto già che esistono decoder luci appositamente creati per lo scopo ma....mi sono inventato uno schema come quello che segue.

Spiego.....prendo un decoder a 4 funzioni; siccome con questo decoder non si può variare l'intensità di luce di ogni singolo led (come viceversa fanno i decoder luci un po' piu costosi), faccio io cosi:

- per i fanali, semplicemente metto un trimmer per tarare la luce che piu mi aggrada....poi eventualmente potrei sostituire con una fissa

- per l'illuminazione interna, pensavo di fare un parallelo di led smd 1206 ognuno con una propria resistenza, leggerissimamente diversa una dall'altra, tale da cambiare l'assorbimento da 4 a 8mA massimo.


Stima spesa totale...
Aln folle: 12€ decoder + 1€ led smd + 1€ resistenze + 2€ fanali = 16€
Aln motorizzata: 0€ decoder (uso l'aux verde di un lenz standard) + 1€ led smd + 1€ resistenze + 2€ fanali = 4€
Tot. 20€...e tanta soddisfazione (se funziona). :mrgreen:

Vai, ora massacratemi pure!!
:lol: :lol: :lol:

Gianfranco


Allegati:
smd1206.jpg
smd1206.jpg [ 51.41 KiB | Osservato 4581 volte ]
663_illuminazione.jpg
663_illuminazione.jpg [ 245.1 KiB | Osservato 4582 volte ]
Top
 Profilo  
 
 Oggetto del messaggio: Re: Illuminazione carrozze: con o senza decoder?
MessaggioInviato: martedì 2 aprile 2013, 21:12 
Non connesso

Iscritto il: mercoledì 8 febbraio 2006, 19:23
Messaggi: 1519
Località: Firenze
Mi permetto di dire la mia....

per l'illuminazione interna, se utilizzi resistenze dello stesso valore dubito che con la diversità dei valori delle singole R tu possa avere variazioni apprezzabili di luminosità: talvolta succede anche con valori di resistenza vicini (ad es 1k e 1,2 k)....

suggerimento: utilizzando 2 uscite funzioni, potresti avere 3 diversi livelli di luminosità selezionabili: basta collegare le 2 uscite ai led con resistenze in serie di diverso valore: devi solo stare attento a non superare la corrente max nei led con entrambe le uscite ON.....

saluti

Max


Top
 Profilo  
 
 Oggetto del messaggio: Re: Illuminazione carrozze: con o senza decoder?
MessaggioInviato: martedì 2 aprile 2013, 22:50 
Non connesso

Nome: G.P.
Iscritto il: lunedì 25 gennaio 2010, 0:08
Messaggi: 1715
grazie per il suggerimento.

Allora, controproposta.... :idea:

led illuminazione tutti in serie (piu facile da montare e meno "ingrippi" di resistenze a fare prove immagino infinite)...quindi stessa luce per tutti....e per variare la luminosità, qualche led lo coloro di vernice trasparente per vetri.... :oops:

L'ho gia fatto una volta e l'effetto è stato carino. In questo momento non ci stavo pensando...


Top
 Profilo  
 
 Oggetto del messaggio: Re: Illuminazione carrozze: con o senza decoder?
MessaggioInviato: mercoledì 3 aprile 2013, 9:39 
Non connesso

Iscritto il: giovedì 19 gennaio 2006, 9:50
Messaggi: 620
Località: Vicenza
Il trimmer così collegato, se lo porti a 0 bruci immediatamente i led, devi interporre una resistenza tra il trimmer e i led, in modo che anche se lo porti a 0 la corrente che transita per il led non superi il suo massimo sopportabile. Mettere resistenze diverse tra un led e l'altro non capisco a cosa possa servire: ad avere una zona più illumintata di quella adiacente? L'effetto sarebbe di palesare un errore, anche se questo è voluto. Da ultimo: è vero che è bello muovere le manine, ma a fronte di un risparmio di 3-4 € ( sempre che non si bruci niente durante gli esperimenti ) per vettura, quante ore di lavoro ci perdi che avresti potuto dedicare a qualcosa altro? Ci sono basette di illuminazione di vari produttori già pronte, testate e sicure, non so quanto il gioco valga la candela se non hai le basi di conoscenza elettronica per saperti muovere con destrezza nel problema.


Top
 Profilo  
 
 Oggetto del messaggio: Re: Illuminazione carrozze: con o senza decoder?
MessaggioInviato: mercoledì 3 aprile 2013, 12:59 
Non connesso

Nome: G.P.
Iscritto il: lunedì 25 gennaio 2010, 0:08
Messaggi: 1715
Ciao Alessandro e grazie del tuo intervento. Hai perfettamente ragione sulla resistenza in serie al trimmer, l'ho dimenticata ma so che ci va. :wink:

Per quanto riguarda la scelta di costruire una strip fai da te concordo sull' inutilità di mettere una resistenza per ogni LED in quanto l'effetto sarebbe impercettibile. Accantonata questa idea potrei al più dipingere con vernice trasparente arancio qualche LED, per cui potrei adottare la soluzione di una resistenza con in serie i led di illuminazione.

Detto questo i motivi per cui sto optando per una striscia di led fai da te sono due: il primo e che le strisce di LED commerciali con o senza decoder ho visto che sono alte circa 2 millimetri anzi alcune anche 2.5 o 3.... E nella mia aln non ho il tetto libero ma ho uno strato di guida luce per cui inserendo una di queste strisce si vede chiaramente dai finestrini....come si vede in questa foto.

Immagine

Stare a spaccare tutti i finestrini per liberare il tetto non è il caso.....

Invece utilizzando i led smd 1206 (o 0805) non ho questo tipo di problema in quanto sono alti un millimetro e ho gia visto che sono invisibili. Per quanto riguarda il tempo da impiegare per costruire una striscia di questi led aiutandosi con una lamina di ottone di raccordo tra un led e l'altro credo vada via al più una mezz'ora.

In ultimo, per quanto riguarda i costi, la differenza non è di 4 euro ma di una trentina....ma aldilà di questo il problema e l'altezza che deve essere al più un millimetro.

Se avete altre osservazioni ditemi pure.
grazie mille....


Ultima modifica di crystal13 il mercoledì 3 aprile 2013, 14:19, modificato 1 volta in totale.

Top
 Profilo  
 
 Oggetto del messaggio: Re: Illuminazione carrozze: con o senza decoder?
MessaggioInviato: mercoledì 3 aprile 2013, 13:30 
Non connesso

Iscritto il: martedì 21 dicembre 2010, 10:01
Messaggi: 976
Località: Sarzana (SP)
Forse non ho capito.

Come struttura portante usi una lamina d'ottone sulla quale allinei i LED SMD o
i led SMD farebbero parte della struttura portante della simil strip fatta a pezzi
e avendo gli SMD come giunzione?

Il collegamento dei LED come lo fai?

In serie parallelo, in serie?

Se usi resistenze quello normali sono più alte di un milllimetro, sennò devi usare
resistenze SMD.


Top
 Profilo  
 
 Oggetto del messaggio: Re: Illuminazione carrozze: con o senza decoder?
MessaggioInviato: mercoledì 3 aprile 2013, 13:56 
Non connesso

Iscritto il: mercoledì 8 febbraio 2006, 19:23
Messaggi: 1519
Località: Firenze
secondo me non è impossibile rimuovere il trasparente dei finestrini sulle 663, non ricordo bene, ma mi pare di averlo fatto in passato con successo.....

esistono delle strisce di circuito stampato rigido o flessibile su cui montare i led: le prime permettono di montarli sia in serie che in parallelo, le seconde solo in serie.

sulle mie strisce ho montato 6 led in parallelo, con un'unica resistenza per avere 30 mA totali: già così fa già troppa luce!!!

saluti

Max


Top
 Profilo  
 
 Oggetto del messaggio: Re: Illuminazione carrozze: con o senza decoder?
MessaggioInviato: mercoledì 3 aprile 2013, 23:08 
Non connesso

Nome: G.P.
Iscritto il: lunedì 25 gennaio 2010, 0:08
Messaggi: 1715
Ciao a tutti, ci sto ragionando, insieme a voi...

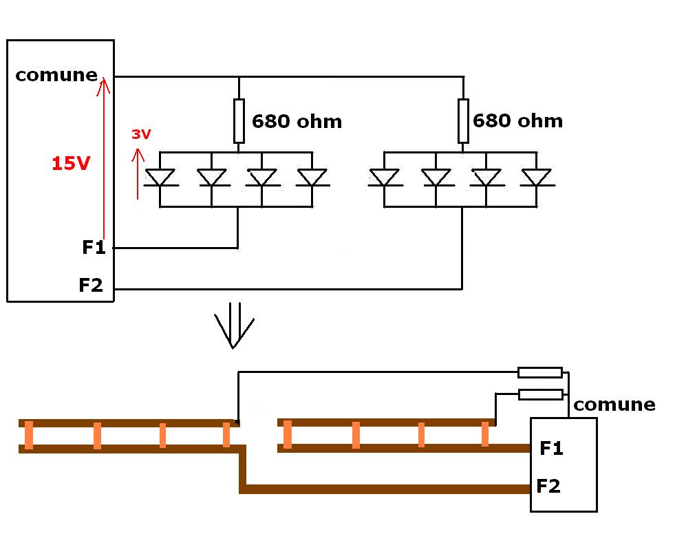
dunque, poiché proprio oggi ho appurato che il decoder almrose a 4 uscite permette di pilotare la luce dei led applicati mediante 31 livelli di luminosità attraverso una CV per ogni uscita (penso sia una grande cosa!!), l'idea attuale è diventata, raccogliendo anche le vostre osservazioni, quella di....usare due striscetta di rame (ok, niente ottone!) di spessore 0,1mm (ritagliabili da nastri di rame che con qualche euro ti rimangono tutta la vita), una per il comune e una da collegare all'uscita funzioni e mettere i led smd 1206 in parallelo; i led 1206 sono alti 1mm e sono i primi piu piccoli dopo i classici PLCC2 che avete nelle vostre strip e che sono in vendita nelle strip commerciali (tipo ledbaron).

La tensione di uscita del decoder è 15V, per cui per ottenere circa 5mA su ogni led ho dimensionato una resistenza di 680 ohm.


Allegati:
parallelo2.JPG
parallelo2.JPG [ 52.74 KiB | Osservato 4386 volte ]
Top
 Profilo  
 
 Oggetto del messaggio: Re: Illuminazione carrozze: con o senza decoder?
MessaggioInviato: giovedì 4 aprile 2013, 7:50 
Non connesso

Iscritto il: martedì 21 dicembre 2010, 10:01
Messaggi: 976
Località: Sarzana (SP)
Guardando le foto dei LED che hai postato, se i due contatti sono uno
da un parte e una dall'altra, il collegamento in parallelo lo puoi fare con
un normale filo di rame che puoi incastonare nella "L" tra contatto e
parte luminosa (non so se mi spiego) cosi riduci lo spessore alla sola
altezza del LED

Immagine

Tanto per intenderci, salderesti un filo da 0,5mmm nell'area dove c'è scritto
"Cathode mark" e un'altro dalla parte opposta facendo due collanine.

Poi un goccio di vinilica sotto ogni LED e via.

Però le resistenze le devi nascondere da qualche parte se sono quelle normali.


Top
 Profilo  
 
 Oggetto del messaggio: Re: Illuminazione carrozze: con o senza decoder?
MessaggioInviato: giovedì 4 aprile 2013, 10:31 
Non connesso

Nome: G.P.
Iscritto il: lunedì 25 gennaio 2010, 0:08
Messaggi: 1715
Ciao carmaxspe la tua è un'ottima idea; solo che essendo lo spazio che citi 0.6mm, occorrerebbe un tondino/filo di rame di 0.5mm di diametro; ok, si può fare....al limite, potrei anche mettere un filo di rame da 1mm di diametro "a filo" del led, in modo tale che l'altezza totale è 1mm.

Il filo andrebbe "a fagiolo" in un collegamento serie perche avrei infilato il tondino nella insenatura del led, ma purtroppo come detto in serie non li posso mettere perche essendo la tensione di uscita del decoder di 15V e l'assorbimento del led circa 3.2V, ne potrei mettere al più 4 (rischiando che non s'accendono).

Intanto ieri sera tardi, ho saldato in due minuti due led 1206 bianco freddo che avevo in disavanzo (i bianco caldo li ho appena ordinati) sulla lamina in ottone di cui vi parlavo....con l'utilizzo di flussante, ho prima steso un po di stagno sulla lamina e poi è bastato poggiare il led e coprire con un po di stagno. L'ho messa nella vettura, e ad altezza finestrino non si scorge nulla se non guardando verso l'alto.
:wink:


Allegati:
20130404_112014_resized_1.jpg
20130404_112014_resized_1.jpg [ 12.38 KiB | Osservato 4331 volte ]
Top
 Profilo  
 
Visualizza ultimi messaggi:  Ordina per  
Apri un nuovo argomento Rispondi all’argomento  [ 52 messaggi ]  Vai alla pagina 1, 2, 3, 4  Prossimo

Tutti gli orari sono UTC + 1 ora [ ora legale ]


Chi c’è in linea

Visitano il forum: Nessuno e 47 ospiti


Non puoi aprire nuovi argomenti
Non puoi rispondere negli argomenti
Non puoi modificare i tuoi messaggi
Non puoi cancellare i tuoi messaggi
Non puoi inviare allegati

Cerca per:
Vai a:  
banner_piko

Duegi Editrice - Via Stazione 10, 35031 Abano Terme (PD). Italy - Tel. 049.711.363 - Fax 049.862.60.77 - duegi@duegieditrice.it - shop@duegieditrice.it
Direttore editoriale: Luigi Cantamessa - Amministratore unico: Federico Mogioni - Direttore responsabile: Pietro Fattori.
Registro Operatori della Comunicazione n° 37957. Partita iva IT 05448560283 Tutti i diritti riservati Duegi Editrice Srl