Oggi è lunedì 27 aprile 2026, 1:09

Tutti gli orari sono UTC + 1 ora [ ora legale ]




Apri un nuovo argomento Rispondi all’argomento  [ 55 messaggi ]  Vai alla pagina Precedente  1, 2, 3, 4  Prossimo
Autore Messaggio
 Oggetto del messaggio: Re: alimentatori per circuiti analogici
MessaggioInviato: giovedì 31 luglio 2014, 20:41 
Non connesso

Iscritto il: venerdì 20 gennaio 2006, 19:41
Messaggi: 2863
A me pare che qui ciò che più ha significato è l'equazione di equilibrio del motore in cc, ovvero V=E+RI, per comprendere come varia la corrente in funzione della tensione.


Top
 Profilo  
 
 Oggetto del messaggio: Re: alimentatori per circuiti analogici
MessaggioInviato: giovedì 31 luglio 2014, 22:11 
Non connesso

Iscritto il: domenica 25 marzo 2007, 13:23
Messaggi: 1182
Località: PISTOIA
Bomby ha scritto:
Dunque, nei motori in cc la coppia è proporzionale alla corrente; la coppia massima (corrente massima) si ha con velocità nulla, la coppia minima (corrente minima) si ha con velocità massima.
Generalmente il rapporto di proporzionalità tra coppia e corrente è pari a C=Kϕi dove Kϕ è una costante elettrica ed è solitamente compresa per valori di poco minori all'unità (0,8, 0,9, ecc.).
La coppia è legata alla velocità angolare di rotazione del motore dalla relazione:
C=Kϕ((v-Kϕω)/r) ovvero i=(v-Kϕω)/r
dove Kϕ è la costante di prima, v è la tensione con cui si alimentano gli avvolgimenti di rotore (la tensione con cui si alimenta il motore) ω è la velocità angolare di rotazione del motore e r è la resistenza interna degli avvolgimenti di rotore. Per avere la velocità angolare conoscendo i giri al minuto, si usa la relazione ω=(2π n)/60 ove n è il numero di giri al minuto. Più o meno (molto più o meno) ω=n/10.


di la verità, sei andato a ricercare il libro di elettrotecnica, perchè in quello di elettronica queste formule non ci sono .....

:oops: :mrgreen:


Top
 Profilo  
 
 Oggetto del messaggio: Re: alimentatori per circuiti analogici
MessaggioInviato: giovedì 31 luglio 2014, 22:24 
Non connesso

Iscritto il: giovedì 21 giugno 2012, 14:23
Messaggi: 3793
Località: Massa Finalese (MO)
Corso di macchine ed azionamenti elettrici (corso a scelta che per i meccanici aveva il nome ben più figo di sistemi di trazione elettrica per veicoli ibridi). Effettivamente lo tiene un prof di ingegneria elettrica di bologna, mentre io frequento elettronica a Modena...


Top
 Profilo  
 
 Oggetto del messaggio: Re: alimentatori per circuiti analogici
MessaggioInviato: giovedì 31 luglio 2014, 22:47 
Non connesso

Iscritto il: domenica 14 marzo 2010, 21:37
Messaggi: 1994
Località: Faenza
Tutti discorsi giusti.

Occorre, però, tenere conto del fatto che se non si conosce la natura del carico, non si può sapere, nè calcolare, che potenza assorbirà il motore ai vari giri.
In prima approssimazione si può affermare che, più aumenta la tensione, più aumenta la corrente assorbita.
Di conseguenza la potenza assorbita potrebbe aumentare col quadrato della tensione (e della velocità).

@massimobertocci
Il fatto di assorbire più corrente al diminuire della tensione avviene solo se in mezzo c' è un regolatore a commutazione (switching) che consenta di assorbire energia a potenza costante.
I nostri telefonini e le macchine fotografiche, per esempio, assorbono potenza indipendentemente dal livello di carica delle batterie, quindi, più la batteria si scarica e si abbassa la tensione, più aumenta la corrente assorbita.
Anche PC, televisori, monitors e lavatrici ad inverter, a 250 Volts assorbono meno corrente che a 210 Volts. Ma la potenza assorbita è la stessa.

@bomby
"la coppia minima (corrente minima) si ha con velocità massima"
E' vero nel caso tipico a tensione costante. Ma nel nostro caso, a tensione variabile, si ha tutta la gamma, fino all' estremo opposto, ovvero coppia minima a tensione minima, o addiritura coppia zero a tensione zero.

PWM
una frequenza che mi pare possa andare bene per il PWM è sui 70 Hz. Era anche usata dai primi decoders digitali, parzializzando l' onda quadra in arrivo. Ha il pregio di eseguire una specie di compensazione di carico.
Aumentandola, già a 1000 Hz l' effetto di inerzia meccanica del motore non consente più quella specie di autoregolazione. Inoltre a 1000 Hz il motore fà un fischio (anche le TAURUS vere, ma loro hanno centrato le frequenze delle note).


Stefano Minghetti


Top
 Profilo  
 
 Oggetto del messaggio: Re: alimentatori per circuiti analogici
MessaggioInviato: venerdì 1 agosto 2014, 7:04 
Non connesso

Iscritto il: lunedì 2 giugno 2014, 19:15
Messaggi: 460
azzzz! ma qui c'è un convegno di elettrotecnica applicata. beh, vi ringrazio ma non avrei mai preteso tutto questo. auguro a tutti buon fine settimana, daniele :shock:


Top
 Profilo  
 
 Oggetto del messaggio: Re: alimentatori per circuiti analogici
MessaggioInviato: venerdì 1 agosto 2014, 9:27 
Non connesso

Iscritto il: giovedì 21 giugno 2012, 14:23
Messaggi: 3793
Località: Massa Finalese (MO)
Beh, sì, il discorso della coppia massima alla velocità minima era inerente al funzionamento a tensione fissa (avevdo detto che lo scrivevo e poi m'è rimasto nella tastiera!). Variando la tensione ovviamente si trasla la retta coppia-velocità. Il punto di funzionamento dipende appunto dal carico.


Top
 Profilo  
 
 Oggetto del messaggio: Re: alimentatori per circuiti analogici
MessaggioInviato: venerdì 1 agosto 2014, 9:28 
Non connesso

Iscritto il: domenica 25 marzo 2007, 13:23
Messaggi: 1182
Località: PISTOIA
Cita:
Aumentandola, già a 1000 Hz l' effetto di inerzia meccanica del motore non consente più quella specie di autoregolazione. Inoltre a 1000 Hz il motore fà un fischio (anche le TAURUS vere, ma loro hanno centrato le frequenze delle note).


anche le ALe582/642 fischiano quando si avviano, ed nche lì hanno centrato le "note musicali".

Sentirle salire di ottave è un piacere per gli orecchi ......

rientrando in tema,

premesso che sono un perito elettrotecnico diplomato oramai nell'anno 1980 (quando si affacciava la prima elettronica di potenza) e che poi ho fatto tutt'altro lavoro in ambito delle scienze giuridiche, e quindi quasi a digiuno di elettronica, tranne che per i fondamenti, chiederei:

rispetto allo schema proposto per ottenere la frequenza da te suggerita 70 Hz, occorrono fare delle modifiche (penso alla capacità dei condensatori) o va bene quello?

Immagino che C1 e C2 stabilizzino la tensione in entrata, quindi il valore dovrebbe rimanere quello, e pertanto rimane da verificare la capacità di C3, o sbaglio?

Negli schemi dei lampeggiatori, che usano il medesimo integrato NE555, la variazione del trimmer modifica la frequenza dei lampeggi (il duty cicle?, s ichiama così?)

nell'alimentatore, la funzione del trimmer quale è? Su quale parametro agisce?

Immagine

grazie


Ultima modifica di aesse61 il venerdì 1 agosto 2014, 13:37, modificato 1 volta in totale.

Top
 Profilo  
 
 Oggetto del messaggio: Re: alimentatori per circuiti analogici
MessaggioInviato: venerdì 1 agosto 2014, 10:23 
Non connesso

Iscritto il: giovedì 21 giugno 2012, 14:23
Messaggi: 3793
Località: Massa Finalese (MO)
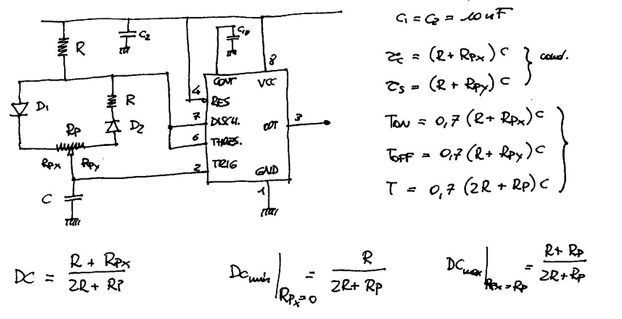
Per incidere su periodo e duty cycle occorre agire sui resistori R2 (trimmer) R3 e forse anche R1, e su C3.

Ad ogni modo, scartabellando i Sacri Appunti del prof Cilloni, questo è il circuito che proponeva (con relazioni):
Allegato:
scan118.jpg
scan118.jpg [ 138.77 KiB | Osservato 3704 volte ]

E questa la descrizione:
FUNZIONAMENTO: I diodi D1 e D2 separano il percorso resistivo della corrente di carica del condensatore, attraverso R1, D1, e la parte sinistra di RP ( RPx ), da quello di scarica del componente, che avviene attraverso la parte destra di RP ( RPy ), R2 e D2.
Col cursore del potenziometro in posizione centrale, le resistenze dei due percorsi coincidono, e si ha un D.C. del 50%. Col cursore tutto a sinistra, la costante di tempo della carica è, in questo caso, 1/1000 di quella di scarica, ed il D.C. è dello 0,1%. Viceversa. Col cursore tutto a destra, tale valore aumenta al 99,9%.
La frequenza di oscillazione rimane comunque sempre costante: il Duty Cycle non influenza il periodo.
L'uscita (pin 3) va poi collegato ad un circuito amplificatore che realizzi il segnale di potenza, ad esempio il transistor coi 2 diodi come nel circuito sopra od altri circuiti più complessi. Insomma, quello che viene fuori è un segnale di pilotaggio, che deve essere attaccato ad un circuito che realizzi l'amplificazione di potenza e la possibilità di invertire il senso di marcia. Ora, in un progetto che ho fatto per l'università dovevo pilotare 2 motori DC ed ho usato un ponte ad H (Chopper a 4 quadranti) realizzato su un integratino grosso come un'unghia che riesce a buttar fuori fino a 28 V e 5 A (c'è sia in versione con un solo ponte ad H (MC 33931) che con 2 ponti ad H sul singolo integrato (MC 33932: in questo caso si possono realizzare, utilizzando 2 NE 555, 2 alimentatori in uno ad esempio per realizzare il sistema twin cab). I collegamenti da fare sono minimi e riesce a gestire tutto. Se interessa posto uno schemino.


Top
 Profilo  
 
 Oggetto del messaggio: Re: alimentatori per circuiti analogici
MessaggioInviato: venerdì 1 agosto 2014, 13:45 
Non connesso

Iscritto il: domenica 25 marzo 2007, 13:23
Messaggi: 1182
Località: PISTOIA
interessante l'ultima parte, sarei curioso di vedere lo schema e capirne il funzionamento.

Quando dici due NE555, perchè non usare un NE556 (dovrebbe essere la stessa cosa?)
forse perchè due NE555 li posizioni meglio nel PCB con meno "incroci"?


Top
 Profilo  
 
 Oggetto del messaggio: Re: alimentatori per circuiti analogici
MessaggioInviato: venerdì 1 agosto 2014, 14:35 
Non connesso

Iscritto il: giovedì 21 giugno 2012, 14:23
Messaggi: 3793
Località: Massa Finalese (MO)
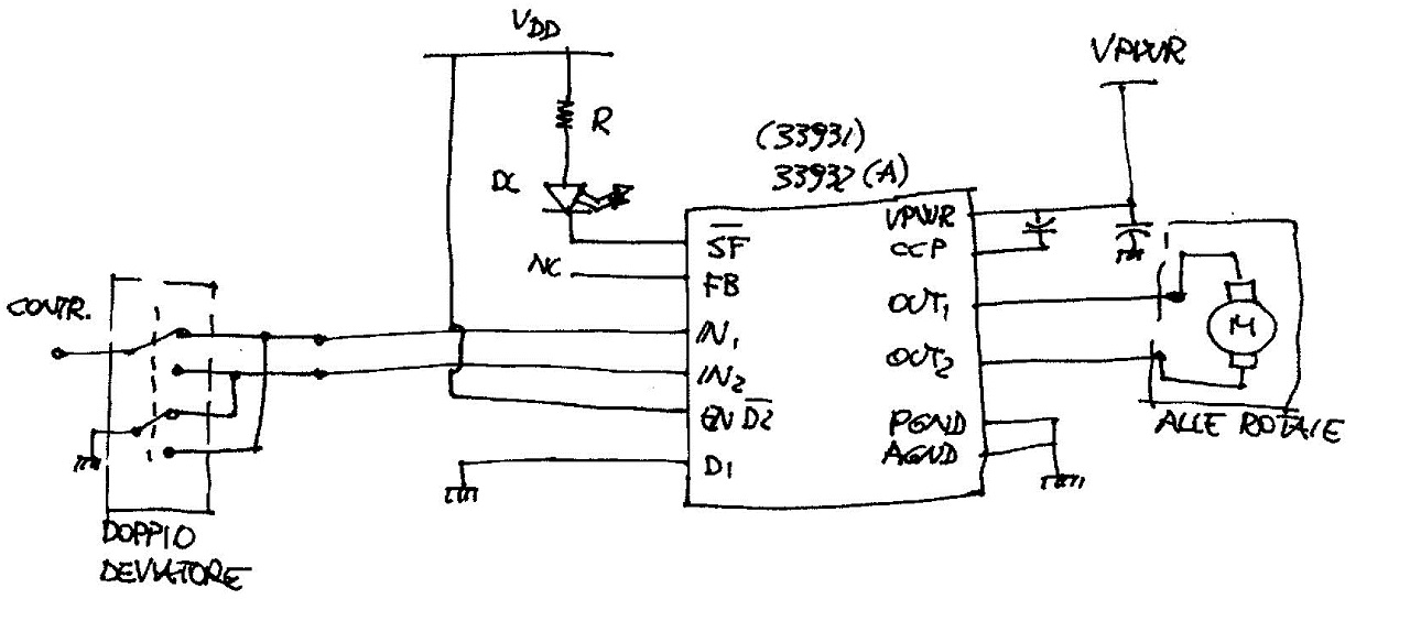
Perchè m'ero scodato dell'NE 556!

Allegato:
scan119.jpg
scan119.jpg [ 115.44 KiB | Osservato 3665 volte ]

Comunque questi sono i collegamenti con l'MC33932 (una metà, l'altra è identica) o con l'MC 33931. In sostanza, il pin SF è il flag di stato e va a 0 quando ci sono problemi (accende il led), il pin FB è il pin di feedback e devia lo 0,24% della corrente inviata ai motori: piazzandoci una resistenza ed un led volendo si può monitorare quanta corrente gli si invia (oppure ci si possono applicare altri strumenti per la misura della corrente o della tensione), altrimenti lo si lascia scollegato. END2 e D1 sono pin di abilitazione, per i nostri scopi basta collegarli rispettivamente a Vcc e a massa. IN1 e IN2 sono gli ingressi che gestiscono verso e velocità di rotazione del motore; VPWR è l'ingresso della tensione di alimentazione di potenza (da cui si alimenta pure l'integrato), CCP non ho idea (dovrei leggermi il data-sheet), OUT1 e OUT2 sono i terminali per l'alimentazione del motore (li si collegheranno alle rotaie) PGND e ADND sono i collegamenti verso massa.
Come si gestisce la marcia dei convogli? Dalla tabella di verità sappiamo che
Allegato:
mc33932 tab verità.jpg
mc33932 tab verità.jpg [ 173.38 KiB | Osservato 3665 volte ]

Allegato:
mc33932 funz.jpg
mc33932 funz.jpg [ 119.88 KiB | Osservato 3665 volte ]

Dunque, se vogliamo andare avanti dobbiamo tenere IN2 a massa ed inviare il segnale di controllo su IN1, il contrario per farlo andare in senso inverso. Ecco quindi spigata la presenza del doppio deviatore, che collega ad un pin il segnale di controllo e all'altro la massa.
Il circuito è pensato per essere controllato da un microcontrollore, ma anche così dovrebbe funzionare (non mi assumo responsabilità di fritture di integrati). La difficoltà più grossa è che tali componenti vengono venduti con package SMD, occorre saperli saldare. In alternativa si possono richiedere le evaluation board...
C'è da dire che potendo controllare motori con tensioni fino a 28 V (40 allo spunto) e correnti fino ai 5 A, tali componenti sono ben sovradimensionati: si possono comandare con tutta tranquillità anche doppie e triple trazioni o treni di scale maggiori alla H0!


Top
 Profilo  
 
 Oggetto del messaggio: Re: alimentatori per circuiti analogici
MessaggioInviato: venerdì 1 agosto 2014, 17:28 
Non connesso

Iscritto il: lunedì 2 giugno 2014, 19:15
Messaggi: 460
beh, cari signori a questo punto mi avete rotto i co ......ndensatori. vi avevo chiesto una cosina semplice e mi avete buttato giu una tesi sui motori elettrici. come sempre vi ringrazio ma non dovevate disturbarvi così tanto, però la discussione mi è piaciuta tanto e allora vi chiedo un'altra cosina. trattando sempre l'analogico, come si realizza il rallentamento realistico di un treno in prossimità di un semaforo, e quindi di un sezionamento? vi prego però, solo cosette semplici se no mi iscrivo all'università. un abbraccio, daniele :shock:


Top
 Profilo  
 
 Oggetto del messaggio: Re: alimentatori per circuiti analogici
MessaggioInviato: venerdì 1 agosto 2014, 17:48 
Non connesso

Iscritto il: giovedì 21 giugno 2012, 14:23
Messaggi: 3793
Località: Massa Finalese (MO)
Questo è davvero semplice: piazzando dei sezionamenti e dei semplici diodi. Il discorso senza schemi è un po' difficile da descrivere, per la cronaca era stato riportato su TTM 2 del 2000.
In buona sostanza si fanno più sezionamenti unipolari nella tratta in cui si vuole il rallentamento. Sapendo che un diodo comporta una caduta di tensione di circa 0,7 V, man mano che ci si avvicina al segnale rosso si aggiungono in serie tra alimentazione e binario dei diodi. Ovviamente deve essere possibile escludere il rallentamento cortocircuitando i diodi tramite un interruttore in parallelo ad essi. Per rendere il rallentamento unidirezionale (ovvero rallentano solo i treni marcianti verso il segnale, quelli in senso contrario vanno a tutta velocità) si piazza in antiparallelo all'interruttore un altro diodo. Ovviamente nell'ultimo sezionamento prima del segnale ci saranno solo il diodo in antiparallelo e l'interruttore perchè lì il treno si deve fermare. Se serve faccio il disegno...


Top
 Profilo  
 
 Oggetto del messaggio: Re: alimentatori per circuiti analogici
MessaggioInviato: venerdì 1 agosto 2014, 18:11 
Non connesso

Iscritto il: lunedì 2 giugno 2014, 19:15
Messaggi: 460
ciao bomby, e complimenti per le tue esposizioni. io avevo letto che si può rallentare la corsa del treno anche tramite resistenze, ma non so se corrisponde a verità. nel caso da te esposto quali diodi posso utilizzare? tante grazie, daniele 8)


Top
 Profilo  
 
 Oggetto del messaggio: Re: alimentatori per circuiti analogici
MessaggioInviato: venerdì 1 agosto 2014, 18:29 
Non connesso

Iscritto il: giovedì 21 giugno 2012, 14:23
Messaggi: 3793
Località: Massa Finalese (MO)
Vanno bene anche i tipi più comuni di diodo.
Le resistenze vanno bene ma non realizzano un rallentamento unidirezionale.

Ah, dimenticavo, dopo il rallentamento, non appena il segnale diventa verde se realizzi lo schema così come descritto, i treni partirebbero a razzo: si può realizzare una scala di diodi per far accelerare il tutto più velocemente in maniera speculare rispetto a quanto fatto per frenarli...


Top
 Profilo  
 
 Oggetto del messaggio: Re: alimentatori per circuiti analogici
MessaggioInviato: venerdì 1 agosto 2014, 18:46 
Non connesso

Iscritto il: lunedì 2 giugno 2014, 19:15
Messaggi: 460
grazie bomby, magari è meglio che faccia delle prove non appena avrò a disposizione il tracciato e poi ti farò sapere. saluti, daniele :)


Top
 Profilo  
 
Visualizza ultimi messaggi:  Ordina per  
Apri un nuovo argomento Rispondi all’argomento  [ 55 messaggi ]  Vai alla pagina Precedente  1, 2, 3, 4  Prossimo

Tutti gli orari sono UTC + 1 ora [ ora legale ]


Chi c’è in linea

Visitano il forum: Nessuno e 16 ospiti


Non puoi aprire nuovi argomenti
Non puoi rispondere negli argomenti
Non puoi modificare i tuoi messaggi
Non puoi cancellare i tuoi messaggi
Non puoi inviare allegati

Cerca per:
Vai a:  
banner_piko

Duegi Editrice - Via Stazione 10, 35031 Abano Terme (PD). Italy - Tel. 049.711.363 - Fax 049.862.60.77 - duegi@duegieditrice.it - shop@duegieditrice.it
Direttore editoriale: Luigi Cantamessa - Amministratore unico: Federico Mogioni - Direttore responsabile: Pietro Fattori.
Registro Operatori della Comunicazione n° 37957. Partita iva IT 05448560283 Tutti i diritti riservati Duegi Editrice Srl