Oggi è giovedì 25 dicembre 2025, 21:44

Tutti gli orari sono UTC + 1 ora [ ora legale ]




Apri un nuovo argomento Rispondi all’argomento  [ 54 messaggi ]  Vai alla pagina Precedente  1, 2, 3, 4  Prossimo
Autore Messaggio
 Oggetto del messaggio: Re: Aiuto per una (o più) racchette
MessaggioInviato: lunedì 21 giugno 2021, 12:43 
Non connesso

Iscritto il: mercoledì 20 settembre 2006, 20:44
Messaggi: 6365
Località: Sorbolo di Sorbolo Mezzani (PR)
FrancoPaoli ha scritto:
Grazie Marco, ai due deviatori c'ero arrivato, e ho seguito la tua spiegazione fino a metà, poi... mi sono perso! Mi puoi fare uno schemino alla buona per vedere bene i collegamenti? L'unico dubbio che ho: quando la loco passa sul sezionamento (che sia sul binario curvo o tra i due scambi), non crea un corto? O meglio, considerando che ci saranno tante manovre, metti che una loco rimane ferma a cavallo del sezionamento, non crea un corto? E le loco ferme all'interno del cappio (ferme, ma in digitale il decoder è acceso), non vanno in corto al cambio di polarità? Oddio, m'è venuto il mal di testa!!!


Leggera ha scritto:
FrancoPaoli ha scritto:
L'unico dubbio che ho: quando la loco passa sul sezionamento (che sia sul binario curvo o tra i due scambi), non crea un corto? O meglio, considerando che ci saranno tante manovre, metti che una loco rimane ferma a cavallo del sezionamento, non crea un corto? E le loco ferme all'interno del cappio (ferme, ma in digitale il decoder è acceso), non vanno in corto al cambio di polarità? Oddio, m'è venuto il mal di testa!!!


Infatti per tagliare la testa al toro io metterei due LOOP negli anelli come suggerito da danilo...


Non abbiatevene a male.
Ma per vedere, quindi focalizzare quello che vi sto scrivendo da giorni, che è tra l'altro molto banale, bisogna essere ben esperti del mestiere: ovviamente non modellistico.
Giusto per la cronaca: molti incidenti e incendi addebiatati a corto circuiti capitano proprio per questo non vedere.
E non è solo un problema elettrico, ma anche di gestione dei movimanti dei treni modello sul plastico, tanto più che qui siamo prettamemte in ambito manovre.
Mettendo il modulo loop in questo lay out di binari c'è veramente il rischio che la loco resti alimentata con una sola polarità o/e che l'alimentatore sia sempre in protezione.

Adesso mi aspetta il dentista, tra questa sera a domani vi pubblico il tutto, sarà un file PDF a colori (originale DWG) di scaricabile da un link.

Per i patiti dell'elettronica, il modulo loop riconoscente il corto circuito in DCC è la soluzione più errata e pericolosa che esista, infatti i forum sono pieni di lamentele, quando funziona senza rogna dobbiamno consideralo un caso: fosse per me chi l'ha inventato lo cancellerei con diffida dall'albo professionale.


Top
 Profilo  
 
 Oggetto del messaggio: Re: Aiuto per una (o più) racchette
MessaggioInviato: martedì 22 giugno 2021, 0:32 
Non connesso

Iscritto il: mercoledì 20 settembre 2006, 20:44
Messaggi: 6365
Località: Sorbolo di Sorbolo Mezzani (PR)
Ecco lo schema di cablaggio con relativo piano dei binari con i sezionamenti.
Ho proposto due soluzioni equivalenti.
I disegni fanno riferimento alla spiegazione del post del 21/06/2021 alle ore 01:32.
Per chiarimenti sono sempre qui.

A questo link trovate un file .rar che contiene due file .PDF e due file .DWG versione 2018.
https://www.dropbox.com/s/me4hcqz363bia ... e.rar?dl=0


Top
 Profilo  
 
 Oggetto del messaggio: Re: Aiuto per una (o più) racchette
MessaggioInviato: martedì 22 giugno 2021, 9:15 
Non connesso

Iscritto il: giovedì 12 gennaio 2006, 18:31
Messaggi: 132
Località: Roma
Grazie Marco, adesso me lo devo studiare per bene, ma mi sembra abbastanza chiaro (sto parlando di Soluzione 1, per non fare casino). Unico dubbio, il relè K111 (o simili, ovviamente) è in pratica sempre alimentato quando commuta in NC: non succede niente considerando che ci potrebbe restare per molto tempo?


Top
 Profilo  
 
 Oggetto del messaggio: Re: Aiuto per una (o più) racchette
MessaggioInviato: martedì 22 giugno 2021, 9:23 
Non connesso

Iscritto il: giovedì 12 gennaio 2006, 18:31
Messaggi: 132
Località: Roma
Ho detto una cavolata, me lo avevi già spiegato sopra, pardon :(


Top
 Profilo  
 
 Oggetto del messaggio: Re: Aiuto per una (o più) racchette
MessaggioInviato: martedì 22 giugno 2021, 10:55 
Non connesso

Iscritto il: mercoledì 20 settembre 2006, 20:44
Messaggi: 6365
Località: Sorbolo di Sorbolo Mezzani (PR)
I relè per applicazioni nel campo elettrico non modellistico o telefonico (informatica compresa) sono tutti costruiti per rimanere in tensione in continuo per almeno 10 anni.
Il modellismo ovviamnte esula da queste esigenze, e un relè set-reset a due bobine ha un funzionamento di più facile comprensione per i profani (infatti gli informatici ragionano tutti così) ma complica la vita richiedendo doppi circuito di comando. Il massimo della semplicità e della sicurezza sono i circuiti ad autoritenuta.
Poi qualitativamente nè parliamo, per esempio il relè bistabile di Roco, cosi come i vecchi motori degli scambi (gli attuali non so) ha un contatto che toglie tensione all'ultima bobina alimentata una volta eseguita la commutazione dei contatti, questo copre da inevitabili errori d'uso da parte dei non esperti (che poi dicono che funzionantutto ma non sanno il perchè e al promo problema affogano nella tazzina del caffè).
Poi c'è da fare una distinzione fondamentale nell'uso dell'elettricità:
- per distribuire energia, a scuola fondamentalmente insegnano questo ed è anche facile da capire
- per creare automatismi, a scuola a parte poche basi teoriche (e sui robottini), è di fatto impossibile insegnare questa materia (farlo poi con arduino signifacia creare degli incopetenti), da capire non è immediato e bisogna pensare cercando di emulare: Leonardo, Raffaello, Michelangelo, Edison, Tesla, ecc. (Gates non va bene).


Top
 Profilo  
 
 Oggetto del messaggio: Re: Aiuto per una (o più) racchette
MessaggioInviato: martedì 22 giugno 2021, 18:27 
Non connesso

Iscritto il: giovedì 12 gennaio 2006, 18:31
Messaggi: 132
Località: Roma
Dopo un pomeriggio a fare collegamenti non sono venuto a capo di niente!! Ma non demordo, credo di aver capito dove sbaglio, domani ci riprovo. Se non va nemmeno domani applico la soluzione "Marcello", ma lo schema e la descrizione sono perfetti, sono io che sono una capra.


Top
 Profilo  
 
 Oggetto del messaggio: Re: Aiuto per una (o più) racchette
MessaggioInviato: martedì 22 giugno 2021, 21:12 
Non connesso

Iscritto il: mercoledì 20 settembre 2006, 20:44
Messaggi: 6365
Località: Sorbolo di Sorbolo Mezzani (PR)
Per quanto riguarda i sezionamenti ti abbiamo proposto in tre la stessa soluzione: io, Marcello, Danilo23665; che è la prima che salta subito all'occhio.
La seconda che ti ho proposto di fatto è la stessa cosa.

L'importante è che i cablaggi di alimentazione dei binari siano coerenti con la suddivisione in due parti.
I cablaggi di comando del relè sono il minimo sindacale per avere la sicurezza che non avvenga un corto circuito sull'alimentazione dei binari.

Se il problema è il cablaggio del relè, cita marca e modello che vediamo di uscirne fuori.

Potresti anche non modificare i motori aggiungendo un contatto, usi quello che c'è per pilotare il relè; il relè diventa un quattro contatti e due li usi per polarizzare i cuori, tanto gli scambi hanno entrambi sempre la medesima posizone: diritti o deviati.


Top
 Profilo  
 
 Oggetto del messaggio: Re: Aiuto per una (o più) racchette
MessaggioInviato: mercoledì 23 giugno 2021, 13:34 
Non connesso

Iscritto il: giovedì 12 gennaio 2006, 18:31
Messaggi: 132
Località: Roma
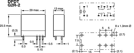
Allora, qui sotto trovate le foto dei microinterruttori che uso (il centrale è il più vicino alla cerniera), del relè 12 Volt (normalmente chiuso 2-3 e 6-7, alimentazione 1-8), i collegamenti sono giusti, almeno penso, però c'è ancora un corto che non riesco ad eliminare. Mi spiego: le loco viaggiano normalmente all'interno della zona sezionata, anche sui due scambi in deviata, ma quando arrivano ai sezionamenti degli anelli scatta il corto. Se inverto l'alimentazione della zona sezionata le loco girano normalmente su tutto il tracciato, ma quando passano sugli scambi in deviata incriminati, scatta il corto. Sto perdendo le speranze, il metodo "Marcello" si avvicina sempre di più :( :( :( :(


Allegati:
L0366316-01.jpg
L0366316-01.jpg [ 42.7 KiB | Osservato 5038 volte ]
shopping.jpg
shopping.jpg [ 31.58 KiB | Osservato 5038 volte ]
s-l1600.jpg
s-l1600.jpg [ 255.59 KiB | Osservato 5038 volte ]
Top
 Profilo  
 
 Oggetto del messaggio: Re: Aiuto per una (o più) racchette
MessaggioInviato: mercoledì 23 giugno 2021, 13:54 
Non connesso

Iscritto il: mercoledì 20 settembre 2006, 20:44
Messaggi: 6365
Località: Sorbolo di Sorbolo Mezzani (PR)
La corrispondenza dei contatti del relè usato senza lo zoccole per quadri è:
11 = 3
12 = 2
14 = 4
21 = 6
22 = 7
24 = 5

Per il corto quando passi sui sezionamenti nelle curve è giusto che avvenga: gli scambi devono rimanere in deviata solo mentre ci passa il treno sopra, subito dopo devono tornare in posizione diritta.
Questo tipo di piano dei binari purtroppo impone alcune regole di uso. Appunto anche per questo vado dicendo che qui bisogna dimenticare i cappi. Ma attenzine anche i cappi hanno le loro regole d'uso.
L'ho anche scritto nello schema di cablaggio (magari non così chiaramente), con l'alimentazione commutata, a cavallo dei sezionamenti in curva non ci deve essere nessun ponte elettrico tra le due parti di tracciato.


Top
 Profilo  
 
 Oggetto del messaggio: Re: Aiuto per una (o più) racchette
MessaggioInviato: mercoledì 23 giugno 2021, 14:08 
Non connesso

Iscritto il: giovedì 12 gennaio 2006, 18:31
Messaggi: 132
Località: Roma
Ah, ok allora non avevo sbagliato i collegamenti! Dover cambiare ogni volta gli scambi diventa improponibile ergo, metodo "Marcello". Ti ringrazio per l'interessamento, gli schemi e i consigli davvero preziosi, che spero possano servire anche ad altri. Mi dispiace perchè così viene stravolto il senso di tutto il diorama, ma giustamente è meglio non crearsi ulteriori rogne.


Top
 Profilo  
 
 Oggetto del messaggio: Re: Aiuto per una (o più) racchette
MessaggioInviato: mercoledì 23 giugno 2021, 15:27 
Non connesso

Iscritto il: mercoledì 20 settembre 2006, 20:44
Messaggi: 6365
Località: Sorbolo di Sorbolo Mezzani (PR)
Non capisco perché è improponibile tenere gli scambi sempre diritti quando non deve transitare nessun treno sulla deviata, ma contento te.
Nella quasi totalità dei casi, anche al vero è così!


Top
 Profilo  
 
 Oggetto del messaggio: Re: Aiuto per una (o più) racchette
MessaggioInviato: mercoledì 23 giugno 2021, 16:07 
Non connesso

Iscritto il: giovedì 12 gennaio 2006, 18:31
Messaggi: 132
Località: Roma
Il problema è che sarebbero quasi sempre in deviata, se non quando devo ricoverare dei convogli sui binari morti.


Top
 Profilo  
 
 Oggetto del messaggio: Re: Aiuto per una (o più) racchette
MessaggioInviato: mercoledì 23 giugno 2021, 16:10 
Non connesso

Nome: Daniele Pulcini
Iscritto il: domenica 15 gennaio 2006, 18:19
Messaggi: 673
Località: --------------- Quercegrossa (SI) ------- Follonica (GR) ------------
Ma la soluzione Marcello quale sarebbe in sostanza ??


Top
 Profilo  
 
 Oggetto del messaggio: Re: Aiuto per una (o più) racchette
MessaggioInviato: mercoledì 23 giugno 2021, 16:12 
Non connesso

Iscritto il: giovedì 12 gennaio 2006, 18:31
Messaggi: 132
Località: Roma
E per giunta uno scambio è difettoso, per cui lo dovrei cambiare, tanto vale toglierlo e arrivederci. Per Leggera: togliere i due scambi che creano i cappi (quelli uniti sulla deviata) così da non avere corti indesiderati.


Top
 Profilo  
 
 Oggetto del messaggio: Re: Aiuto per una (o più) racchette
MessaggioInviato: mercoledì 23 giugno 2021, 16:14 
Non connesso

Nome: Daniele Pulcini
Iscritto il: domenica 15 gennaio 2006, 18:19
Messaggi: 673
Località: --------------- Quercegrossa (SI) ------- Follonica (GR) ------------
Grazie.

Da cellulare sotto sole è già grassa che riesco a leggere... :lol: :lol: :lol:


Top
 Profilo  
 
Visualizza ultimi messaggi:  Ordina per  
Apri un nuovo argomento Rispondi all’argomento  [ 54 messaggi ]  Vai alla pagina Precedente  1, 2, 3, 4  Prossimo

Tutti gli orari sono UTC + 1 ora [ ora legale ]


Chi c’è in linea

Visitano il forum: Nessuno e 11 ospiti


Non puoi aprire nuovi argomenti
Non puoi rispondere negli argomenti
Non puoi modificare i tuoi messaggi
Non puoi cancellare i tuoi messaggi
Non puoi inviare allegati

Cerca per:
Vai a:  
banner_piko

Duegi Editrice - Via Stazione 10, 35031 Abano Terme (PD). Italy - Tel. 049.711.363 - Fax 049.862.60.77 - duegi@duegieditrice.it - shop@duegieditrice.it
Direttore editoriale: Luigi Cantamessa - Amministratore unico: Federico Mogioni - Direttore responsabile: Pietro Fattori.
Registro Operatori della Comunicazione n° 37957. Partita iva IT 05448560283 Tutti i diritti riservati Duegi Editrice Srl